对焊三通,四通简介:
三通是用于管道分支处的一种管件。对于采用无缝管制造三通来讲,目前通常所采用的
工艺有液压胀形和热压成形两种。四通的成形工艺与三通相似。
三通、四通有等径和异径之分,等径三通的接管端部均为相同的尺寸;异径的三通的主管接管尺寸相同,而支管的接管尺寸小于主管的接管尺寸。
对焊三通,四通实物图:(网上产品图片仅供参考,交货按实物为准)
![]() | ![]() | ![]() |
![]() | ![]() | ![]() |
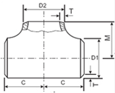
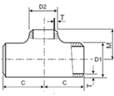
三通/四通结构图 (Tee/Cross Structure)
![]() | ![]() | ![]() |
等径三通 Straight Tee | 异径三通 Reducing Tee | 四通 Cross |
三通/四通参数表
公称通径 Nominal Diameter | 坡口处外径Outside Diameter | 中心至端面 | |||||
D1 | D2 | ||||||
DN | NPS | A系列Series A | B系列Series B | A系列Series A | B系列Series B | C | M |
15×15×15 | 1/2×1/2×1/2 | 21.3 | 18 | 21.3 | 18 | 25 | 25 |
15×15×10 | 1/2×1/2×3/8 | 21.3 | 18 | 17.3 | 14 | 25 | 25 |
15×15×8 | 1/2×1/2×1/4 | 21.3 | 18 | 13.7 | 10 | 25 | 25 |
20×20×20 | 3/4×3/4×3/4 | 26.9 | 25 | 26.9 | 25 | 29 | 29 |
20×20×15 | 3/4×3/4×1/2 | 26.9 | 25 | 21.3 | 18 | 29 | 29 |
20×20×10 | 3/4×3/4×3/8 | 26.9 | 25 | 17.3 | 14 | 29 | 29 |
25×25×25 | 1×1×1 | 33.7 | 32 | 33.7 | 32 | 38 | 38 |
25×25×20 | 1×1×3/4 | 33.7 | 32 | 26.9 | 25 | 38 | 38 |
25×25×15 | 1×1×1/2 | 33.7 | 32 | 21.3 | 18 | 38 | 38 |
32×32×32 | 1.1/4×1.1/4×1.1/4 | 42.4 | 38 | 42.4 | 38 | 48 | 48 |
32×32×25 | 1.1/4×1.1/4×1 | 42.4 | 38 | 33.7 | 32 | 48 | 48 |
32×32×20 | 1.1/4×1.1/4×3/4 | 42.4 | 38 | 26.9 | 25 | 48 | 48 |
32×32×15 | 1.1/4×1.1/4×1/2 | 42.4 | 38 | 21.3 | 18 | 48 | 48 |
40×40×40 | 1.1/2×1.1/2×1.1/2 | 48.3 | 45 | 48.3 | 45 | 57 | 57 |
40×40×32 | 1.1/2×1.1/2×1.1/4 | 48.3 | 45 | 42.4 | 38 | 57 | 57 |
40×40×25 | 1.1/2×1.1/2×1 | 48.3 | 45 | 33.7 | 32 | 57 | 57 |
40×40×20 | 1.1/2×1.1/2×3/4 | 48.3 | 45 | 26.9 | 25 | 57 | 57 |
40×40×15 | 1.1/2×1.1/2×1/2 | 48.3 | 45 | 21.3 | 18 | 57 | 57 |
50×50×50 | 2×2×2 | 60.3 | 57 | 60.3 | 57 | 64 | 64 |
50×50×40 | 2×2×1.1/2 | 60.3 | 57 | 48.3 | 45 | 64 | 60 |
50×50×32 | 2×2×1.1/4 | 60.3 | 57 | 42.4 | 38 | 64 | 57 |
50×50×25 | 2×2×1 | 60.3 | 57 | 33.7 | 32 | 64 | 51 |
50×50×20 | 2×2×3/4 | 60.3 | 57 | 26.9 | 25 | 64 | 44 |
65×65×65 | 2.1/2×2/1/2×2.1/2 | 73 | 76 | 73 | 76 | 76 | 76 |
65×65×50 | 2.1/2×2/1/2×2 | 73 | 76 | 60.3 | 57 | 76 | 70 |
65×65×40 | 2.1/2×2/1/2×1.1/2 | 73 | 76 | 48.3 | 45 | 76 | 67 |
65×65×32 | 2.1/2×2/1/2×1.1/4 | 73 | 76 | 42.4 | 38 | 76 | 64 |
65×65×25 | 2.1/2×2/1/2×1 | 73 | 76 | 33.7 | 32 | 76 | 57 |
80×80×80 | 3×3×3 | 88.9 | 89 | 88.9 | 89 | 86 | 86 |
80×80×65 | 3×3×2.1/2 | 88.9 | 89 | 73 | 76 | 86 | 83 |
80×80×50 | 3×3×2 | 88.9 | 89 | 60.3 | 57 | 86 | 76 |
80×80×40 | 3×3×1.1/2 | 88.9 | 89 | 48.3 | 45 | 86 | 73 |
80×80×32 | 3×3×1.1/4 | 88.9 | 89 | 42.4 | 38 | 86 | 70 |
90×90×90 | 3.1/2×3.1/2×3.1/2 | 101.6 | - | 101.6 | - | 95 | 95 |
90×90×80 | 3.1/2×3.1/2×3 | 101.6 | - | 88.9 | 89 | 95 | 92 |
90×90×65 | 3.1/2×3.1/2×2.1/2 | 101.6 | - | 73 | 76 | 95 | 89 |
90×90×50 | 3.1/2×3.1/2×2 | 101.6 | - | 60.3 | 57 | 95 | 83 |
90×90×40 | 3.1/2×3.1/2×1.1/2 | 101.6 | - | 48.3 | 45 | 95 | 79 |
100×100×100 | 4×4×4 | 114.3 | 108 | 114.3 | 108 | 105 | 105 |
100×100×90 | 4×4×3.1/2 | 114.3 | 108 | 101.6 | - | 105 | 102 |
100×100×80 | 4×4×3 | 114.3 | 108 | 88.9 | 89 | 105 | 98 |
100×100×65 | 4×4×2.1/2 | 114.3 | 108 | 73 | 76 | 105 | 95 |
100×100×50 | 4×4×2 | 114.3 | 108 | 60.3 | 57 | 105 | 89 |
100×100×40 | 4×4×1.1/2 | 114.3 | 108 | 48.3 | 45 | 105 | 86 |
125×125×125 | 5×5×5 | 141.3 | 133 | 141.3 | 133 | 124 | 124 |
125×125×100 | 5×5×4 | 141.3 | 133 | 114.3 | 108 | 124 | 117 |
125×125×90 | 5×5×3.1/2 | 141.3 | - | 101.6 | - | 124 | 114 |
125×125×80 | 5×5×3 | 141.3 | 133 | 88.9 | 89 | 124 | 111 |
125×125×65 | 5×5×2.1.2 | 141.3 | 133 | 73 | 76 | 124 | 108 |
125×125×50 | 5×5×2 | 141.3 | 133 | 60.3 | 57 | 124 | 105 |
150×150×150 | 6×6×6 | 168.3 | 159 | 168.3 | 159 | 143 | 143 |
150×150×125 | 6×6×5 | 168.3 | 159 | 141.3 | 133 | 143 | 137 |
150×150×100 | 6×6×4 | 168.3 | 159 | 114.3 | 108 | 143 | 130 |
150×150×90 | 6×6×3.1/2 | 168.3 | - | 101.6 | - | 143 | 127 |
150×150×80 | 6×6×3 | 168.3 | 159 | 88.9 | 89 | 143 | 124 |
150×150×65 | 6×6×2.1/2 | 168.3 | 159 | 73 | 76 | 143 | 121 |
200×200×200 | 8×8×8 | 219.1 | 219 | 219.1 | 219 | 178 | 178 |
200×200×150 | 8×8×6 | 219.1 | 219 | 168.3 | 159 | 178 | 168 |
200×200×125 | 8×8×5 | 219.1 | 219 | 141.4 | 133 | 178 | 162 |
200×200×100 | 8×8×4 | 219.1 | 219 | 114.3 | 108 | 178 | 156 |
200×200×90 | 8×8×3.1/2 | 219.1 | - | 101.6 | - | 178 | 152 |
250×250×250 | 10×10×10 | 273 | 273 | 273 | 273 | 216 | 216 |
250×250×200 | 10×10×8 | 273 | 273 | 219.1 | 219 | 216 | 203 |
250×250×150 | 10×10×6 | 273 | 273 | 168.3 | 159 | 216 | 194 |
250×250×125 | 10×10×5 | 273 | 273 | 141.3 | 133 | 216 | 191 |
250×250×100 | 10×10×4 | 273 | 273 | 114.3 | 108 | 216 | 184 |
300×300×300 | 12×12×12 | 323.9 | 325 | 323.9 | 325 | 254 | 254 |
300×300×250 | 12×12×10 | 323.9 | 325 | 273 | 273 | 254 | 241 |
300×300×200 | 12×12×8 | 323.9 | 325 | 219.1 | 219 | 254 | 229 |
300×300×150 | 12×12×6 | 323.9 | 325 | 168.3 | 159 | 254 | 219 |
300×300×125 | 12×12×5 | 323.9 | 325 | 141.3 | 133 | 254 | 216 |
350×350×350 | 14×14×14 | 355.6 | 377 | 355.6 | 377 | 279 | 279 |
350×350×300 | 14×14×12 | 355.6 | 377 | 323.9 | 325 | 279 | 270 |
350×350×250 | 14×14×10 | 355.6 | 377 | 273 | 273 | 279 | 257 |
350×350×200 | 14×14×8 | 355.6 | 377 | 219.1 | 219 | 279 | 248 |
350×350×150 | 14×14×6 | 355.6 | 377 | 168.3 | 159 | 279 | 238 |
400×400×400 | 16×16×16 | 406.4 | 426 | 406.4 | 426 | 305 | 305 |
400×400×350 | 16×16×14 | 406.4 | 426 | 355.6 | 377 | 305 | 305 |
400×400×300 | 16×16×12 | 406.4 | 426 | 323.9 | 325 | 305 | 295 |
400×400×250 | 16×16×10 | 406.4 | 426 | 273 | 273 | 305 | 283 |
400×400×200 | 16×16×8 | 406.4 | 426 | 219.1 | 219 | 305 | 273 |
400×400×150 | 16×16×6 | 406.4 | 426 | 168.3 | 159 | 305 | 264 |
450×450×450 | 18×18×18 | 457 | 480 | 457 | 480 | 343 | 343 |
450×450×400 | 18×18×16 | 457 | 480 | 406.4 | 426 | 343 | 330 |
450×450×350 | 18×18×14 | 457 | 480 | 355.6 | 377 | 343 | 330 |
450×450×300 | 18×18×12 | 457 | 480 | 323.9 | 325 | 343 | 321 |
450×450×250 | 18×18×10 | 457 | 480 | 273 | 273 | 343 | 308 |
450×450×200 | 18×18×8 | 457 | 480 | 219.1 | 219 | 343 | 298 |
500×500×500 | 20×20×20 | 508 | 530 | 508 | 530 | 381 | 381 |
500×500×450 | 20×20×20 | 508 | 530 | 457 | 480 | 381 | 368 |
500×500×400 | 20×20×20 | 508 | 530 | 406.4 | 426 | 381 | 356 |
500×500×350 | 20×20×20 | 508 | 530 | 355.6 | 377 | 381 | 356 |
500×500×300 | 20×20×20 | 508 | 530 | 323.9 | 325 | 381 | 346 |
500×500×250 | 20×20×20 | 508 | 530 | 273 | 273 | 381 | 333 |
500×500×200 | 20×20×20 | 508 | 530 | 219.1 | 219 | 381 | 324 |
550×550×550 | 22×22×22 | 559 | - | 559 | - | 419 | 419 |
550×550×500 | 22×22×20 | 559 | - | 508 | - | 419 | 406 |
550×550×450 | 22×22×18 | 559 | - | 457 | - | 419 | 394 |
550×550×400 | 22×22×16 | 559 | - | 406.4 | - | 419 | 381 |
550×550×350 | 22×22×14 | 559 | - | 355.6 | - | 419 | 381 |
550×550×300 | 22×22×12 | 559 | - | 323.9 | - | 419 | 371 |
550×550×250 | 22×22×10 | 559 | - | 273 | - | 419 | 359 |
600×600×600 | 24×24×24 | 610 | 630 | 610 | 630 | 432 | 432 |
600×600×550 | 24×24×22 | 610 | - | 559 | - | 432 | 432 |
600×600×500 | 24×24×20 | 610 | 630 | 508 | 530 | 432 | 432 |
600×600×450 | 24×24×18 | 610 | 630 | 457 | 480 | 432 | 419 |
600×600×400 | 24×24×16 | 610 | 630 | 406.4 | 426 | 432 | 406 |
600×600×350 | 24×24×14 | 610 | 630 | 355.6 | 377 | 432 | 406 |
600×600×300 | 24×24×12 | 610 | 630 | 323.9 | 325 | 432 | 397 |
600×600×250 | 24×24×10 | 610 | 630 | 273 | 273 | 432 | 384 |
650×650×650 | 26×26×26 | 660 | - | 660 | - | 495 | 495 |
650×650×600 | 26×26×24 | 660 | - | 610 | - | 495 | 483 |
650×650×550 | 26×26×22 | 660 | - | 559 | - | 495 | 470 |
650×650×500 | 26×26×20 | 660 | - | 508 | - | 495 | 457 |
650×650×450 | 26×26×18 | 660 | - | 457 | - | 495 | 444 |
650×650×400 | 26×26×16 | 660 | - | 406.4 | - | 495 | 432 |
650×650×350 | 26×26×14 | 660 | - | 355.6 | - | 495 | 432 |
650×650×300 | 26×26×12 | 660 | - | 323.9 | - | 495 | 422 |
700×700×700 | 28×28×28 | 711 | 720 | 711 | 720 | 521 | 521 |
700×700×650 | 28×28×26 | 711 | - | 660 | - | 521 | 521 |
700×700×600 | 28×28×24 | 711 | 720 | 610 | 630 | 521 | 508 |
700×700×550 | 28×28×22 | 711 | - | 559 | - | 521 | 495 |
700×700×500 | 28×28×20 | 711 | 720 | 508 | 529 | 521 | 483 |
700×700×450 | 28×28×18 | 711 | 720 | 457 | 478 | 521 | 470 |
700×700×400 | 28×28×16 | 711 | 720 | 406.4 | 426 | 521 | 457 |
700×700×350 | 28×28×14 | 711 | 720 | 355.6 | 377 | 521 | 457 |
700×700×300 | 28×28×12 | 711 | 720 | 323.9 | 325 | 521 | 448 |
750×750×750 | 30×30×30 | 762 | - | 762 | - | 559 | 559 |
750×750×700 | 30×30×28 | 762 | - | 711 | - | 559 | 546 |
750×750×650 | 30×30×26 | 762 | - | 660 | - | 559 | 546 |
750×750×600 | 30×30×24 | 762 | - | 610 | - | 559 | 533 |
750×750×550 | 30×30×22 | 762 | - | 559 | - | 559 | 521 |
750×750×500 | 30×30×20 | 762 | - | 508 | - | 559 | 508 |
750×750×450 | 30×30×18 | 762 | - | 457 | - | 559 | 495 |
750×750×400 | 30×30×16 | 762 | - | 406.4 | - | 559 | 483 |
750×750×350 | 30×30×14 | 762 | - | 355.6 | - | 559 | 483 |
750×750×300 | 30×30×12 | 762 | - | 323.9 | - | 559 | 473 |
750×750×250 | 30×30×10 | 762 | - | 273 | - | 559 | 460 |
800×800×800 | 32×32×32 | 813 | 820 | 813 | 820 | 597 | 597 |
800×800×750 | 32×32×30 | 813 | - | 762 | - | 597 | 584 |
800×800×700 | 32×32×28 | 813 | 820 | 711 | 720 | 597 | 572 |
800×800×650 | 32×32×26 | 813 | - | 660 | - | 597 | 572 |
800×800×600 | 32×32×24 | 813 | 820 | 610 | 630 | 597 | 559 |
800×800×550 | 32×32×22 | 813 | - | 559 | - | 597 | 546 |
800×800×500 | 32×32×20 | 813 | 820 | 508 | 529 | 597 | 533 |
800×800×450 | 32×32×18 | 813 | 820 | 457 | 478 | 597 | 521 |
800×800×400 | 32×32×16 | 813 | 820 | 406.4 | 426 | 597 | 508 |
800×800×350 | 32×32×14 | 813 | 820 | 355.6 | 377 | 597 | 508 |
850×850×850 | 34×34×34 | 864 | - | 864 | - | 635 | 635 |
850×850×800 | 34×34×32 | 864 | - | 813 | - | 635 | 622 |
850×850×750 | 34×34×30 | 864 | - | 762 | - | 635 | 610 |
850×850×700 | 34×34×28 | 864 | - | 711 | - | 635 | 597 |
850×850×650 | 34×34×26 | 864 | - | 660 | - | 635 | 597 |
850×850×600 | 34×34×24 | 864 | - | 610 | - | 635 | 584 |
850×850×550 | 34×34×22 | 864 | - | 559 | - | 635 | 572 |
850×850×500 | 34×34×20 | 864 | - | 508 | - | 635 | 559 |
850×850×450 | 34×34×18 | 864 | - | 457 | - | 635 | 546 |
850×850×400 | 34×34×16 | 864 | - | 406.4 | - | 635 | 533 |
900×900×900 | 36×36×36 | 914 | 920 | 914 | 920 | 673 | 673 |
900×900×850 | 36×36×34 | 914 | - | 864 | - | 673 | 660 |
900×900×800 | 36×36×32 | 914 | 920 | 813 | 820 | 673 | 648 |
900×900×750 | 36×36×30 | 914 | - | 762 | - | 673 | 635 |
900×900×700 | 36×36×28 | 914 | 920 | 711 | 720 | 673 | 622 |
900×900×650 | 36×36×26 | 914 | - | 660 | - | 673 | 622 |
900×900×600 | 36×36×24 | 914 | - | 610 | - | 673 | 610 |
900×900×550 | 36×36×22 | 914 | - | 559 | - | 673 | 597 |
900×900×500 | 36×36×20 | 914 | 920 | 508 | 529 | 673 | 584 |
900×900×450 | 36×36×18 | 914 | 920 | 457 | 478 | 673 | 572 |
900×900×400 | 36×36×16 | 914 | 920 | 406.4 | 426 | 673 | 559 |
上述尺寸符合GB/T12459、GB/T13401、ASME B16.9、SH3408、SH3409、HG/T21635、HG/T21631、SY/T05010标准.
Above dimensions acc.to GB/T12459、GB/T13401、ASME B16.9、SH3408、SH3409、HG/T21635、HG/T21631、SY/T05010.










